上海恒點傳動設備有限公司
加微信聯系 恒點減速機QQ2:51228482
[HTML] [XML]  産品展示産品展示-RSS  新聞中心新聞中心-RSS  技術支持技術支持-RSS
産品分類: 減速機蝸輪絲杆升降機轉向箱蝸輪蝸杆減速機齒輪減速機行星齒輪減速機擺線針輪減速機無級變速機大功率減速器
上海恒點傳動設備有限公司
資訊分類
和産品相關的技術文章
當前位置:網站首頁 > 技術支持 > 漸開線直齒和斜齒圓柱齒輪承載能力計算方法 工業齒輪應用附錄A、B(GB/T19406-2003)

漸開線直齒和斜齒圓柱齒輪承載能力計算方法 工業齒輪應用附錄A、B(GB/T19406-2003)

Tags: R系列斜齒輪硬齒面減速機    發布時間: 2014-10-16
附錄A
(規範性附錄)
非常設計齒輪的特點
A.1行星齒輪的動載系數KV
A.1.1概述
在齒輪系中,包括多點齧合的齒輪 ,如惰輪與行星齒輪裝置中的行星輪與太陽輪有各種不同的自然頻率,這些頻率可能高於或低於僅有一個齧合點的單對齒輪副的自然頻率。
雖然用本标準的公式確定的KV值可能認爲不可靠,但它們可以用於初步的評定。如果可能,建議使用更精確的方法重新評估 。
應優先選用ISO6336-1:1996的A法分析非常規設計齒輪。爲進一步取得資料可參考ISO6336-1:1996的6.1.1節。
A.1.2外齒輪副當量質量的計算
參見5.6.2
A.1.3非常規設計齒輪****振速度的確定
A.1.3.1概述
應用A法確定非常規設計齒輪中的共振速度,然而,其他方法也可以近似使用。下面是一些例子:
a) 軸齒輪的軸徑近似等輪齒中部的直徑;
b) 兩個剛性聯結的同軸齒輪;
c) 兩個小齒輪驅動一個大齒傳輸線;
d) 行星齒輪;
e) 惰輪(中間輪)。
A.1.3.2軸齒傳輸線的軸徑近似等輪齒中部的直徑
軸齒輪的高扭轉剛度在很大程度上由軸的質量來補撐,因此,共振速度可用常規方法 ,即用小齒輪(輪齒部分的質量與法向齧合剛度cr計算)。
A.1.3.3兩個剛性聯結的同軸齒輪
計入較大齒輪的質量。
A.1.3.4兩個小齒輪驅動一個大齒輪
因大輪的質量一般比小輪的質量大很多,各對齧合可分開考慮,即:
a) 第一個小輪與大輪構成的齒輪副;
b) 第二個小輪與大輪構成的齒輪副。
A.1.3.5行星齒輪
因爲多個傳動分支包含瞭不隻是一個齧合剛度,行星齒輪的振動特性非常複雜 ,用簡公式,例如B法計算動載系數通常是不精確的。尺管如此,下面經修改過的B法可用於KV的初步估算,估算後應進行仔細的理論或實驗分析,或在使用經驗的基礎上加以驗證。也可見本附錄的引言部分。
a) 太陽輪和行星輪
確定太陽輪的共振速度nE1的誘導質量:
式中 :
J*pla,J*sun——分别爲太陽輪與一個行星輪單位齒寬的轉動慣量,單位爲千克·平方毫米每毫米(kg·mm2/mm);
rbsun=0.5dbsun
rbpla=0.5dbpla
p——計算輪系中行星輪的個數。
由式(A.1)確定的mred值,用於計算N的公式中(見5.6.2.2),這裏用的齧合剛度cr近似等於單個行星齒輪的齧合剛度,z1用太陽輪的齒數。
關於行星齒輪裝置,應該注意式(12)~式(14)(見5.6.2.3)中的Ft等於作用在太陽輪上的總切向力除以行星輪的個數。
b) 行星輪和固定内齒圈
在此情況下,可假定内齒圈的質量爲無窮大,因此,透導質量等於行星輪的當量質量,可由下式確定:
c) 行星輪和轉動内齒圈
這各情況下,内齒圈的當量質量按外齒輪處理 。行量輪的誘導質量可按式(A.2)計算。當内齒圈與幾個行星輪齧合時,按A.1.3.4處理。
A.1.3.6中間輪
當驅動與被子驅動齒輪的尺寸大緻桢,中間輪尺寸也大緻相同或稍大時,可按下列公式近似值計算:
——誘導質量
——齧合剛度
cγ=0.5(cγ1,2+cγ2,3)……………………(A.4)
式中:
J1*,J2*,J3*——分别爲小輪、中間輪與大輪單位齒寬的轉動慣量,單位爲千克·平方毫米每毫米(kg·mm2/mm);
cγ1,2——主動輪與中間輪副的齧合剛度;
cγ2,3——中間輪與從動輪副的齧合剛度(cγ的確定見附錄B)。0.6<N<1.5時,建議進行更精確的分析。
如果中間輪明顯大於主動輪和從動輪或主動輪和從動輪明顯小於其他兩輪時,KV按單個齧合副分别計算,即:
——主動輪——中間輪組合;
——中間輪——從動輪組合。
根據以上計算的mred值代入式(7),以確定共振速度。
對於未提及的情況,建議進行精確分析。
附錄B
(規範性附錄)
輪齒剛度c′和cr
B.1概述
輪齒剛度表示使一對或幾對無偏差齧合的輪1mm
齒寬上産生1μm變形量所需的齧合線上的載荷12)。(輪齒變形可以用Ft(FmFtH)代替Fbt近似地確定。即採用相關系數将Ft轉換成Fbt(切於基圓柱的載荷),當存在不確定因素(如測量誤差)時也可不轉換)。
單對齒剛度c′是直齒輪副一對輪齒的最大剛度。它大緻等於單對齒齧合狀态下一對輪齒的最大剛度13)。(當εα>1.2時,單對齒齧合區處界點處的c′可以假定近似於單對齒剛度的最大值。)
齧合剛度cr是齧合中所有輪齒剛度的平均值。
本标準使用權的ISO6336-1:1996的B法,适用於x1≥x2和-0.5≤(x1+x2)≤2的範圍。
B.2單對齒剛度c′
B.2.1 c′的計算
對於單位載荷FtKA/b≥100N/mm2:
c′=0.8cth′CRCBcosβ………………(B.1)
B.2.2單對齒剛度的理論值
式中:
表B.1公式(B.3)中的常數
c1
c2
c3
c4
c5
c6
c7
c8
c9
0.04723
0.15551
0.25791
-0.00635
-0.11654
-0.00193
-0.24188
0.00529
0.00182
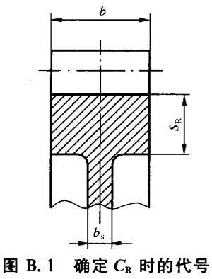
B.2.3輪坯結構系數CR
對於由實心的圓盤形輪坯制成的齒輪CR=1。對於其他的齒輪:
邊界條件:
當bs/b<0.2時,取bs/b=0.2;
當bs/b>1.2時,取bs/b=1.2。
有關代号見圖B.1。
圖B.1確定CR時的代号
B.2.4基本齒條系數CB
CB可按式(B.5)計算:
CB=[1+0.5(1.2- )][1-0.02(20°-αpn)]………………(B.5)
B.2.5 附加的資料
a)内齒輪:内齒輪的單對齒剛度理論值的近似值可由公式(B.2),公式(B.3)確定,這時取zn2爲無窮大。
b)單位載荷(FtKA)/b<100N/mm2:
c)以上情誤解是基於鋼制齒輪副,對於其他的材料組合,見ISO6336-1:1996第9章。
B.2.6齧合剛度cγ
對於εα≥1.2的直齒輪與β≤30°的斜齒輪,其齧合剛度:
cγ=c′(0.75εα+0.25)……………………(B.7)
式中:
c′——根據式(B.1)確定。
上一篇 上一篇: 漸開線直齒和斜齒圓柱齒輪承載能力計算方法 工業齒輪應用齒根彎曲強度計算(GB/T19406-2003
下一篇 下一篇: 漸開線直齒和斜齒圓柱齒輪承載能力計算方法 工業齒輪應用附錄C、D(GB/T19406-2003)
相關新聞文章 > 查看更多
齒輪不能少於17個齒數嗎?少瞭會怎樣? 2026-01-19
使用經濟型數控車床的技巧 2025-12-16
變頻器的使用中遇到的問題和故障防範 2025-11-25
三角形展開的原理是什麽 2025-10-31
電機如何拆卸 2025-08-26
減速機出力太小出現的斷軸問題 2025-08-06
如何成功制造注塑齒輪 2025-07-01
齒輪氣體滲碳熱處理工藝及其質量控制(JB/T7516-94) 2025-05-26
錐齒輪承載能力計算方法第1部分:概述和通用影響系數外部作用力與使用系數KA(GB/T10062.1-2003) 2025-04-28
錐齒輪檢測方法 2025-02-25
滾動軸承按用途主要可分爲哪幾類? 2025-01-21
什麽是高溫軸承? 2024-12-05
返回頂部 關閉本頁】 【打印本頁
電 話:021-22815912  021-22816186  傳 真:021-32050712   郵箱:sales@021jsj.cn  減速機 絲杆升降機 轉向箱 蝸輪蝸杆減速機
Copyright©2009-2026上海恒點傳動設備有限公司 版權所有  地址:上海市金山區亭林鎮林寶路39号  郵編:200442  滬ICP備10206998号-2 
友情鏈接機械設備網 | 渦街流量計 | 輸送機 | 變頻控制櫃 | 破碎機 | 工業同城 | 手持終端 | 柴油發電機 | uv平闆打印機 | 風淋室 | QUV | 防火門 | 九愛圖紙 | 感應加熱設備 | 輸送帶廠家 | 噪聲治理 | 西門子plc | 拖鏈電纜 | AGV | 機械雜志 | 現代機械 | UWB高精度定位 |